CNCブレイクアウトボード OSP001583 MACH3 100KHz 5軸インターフェースドライバモーションコントローラに適合
説明:
MACH3ソフトウェアに対応しています。
Windows XP、WIN7、WIN8、WIN10システム(タブレット端末および64ビットシステムを含む)に対応しています。
外部広い電圧入力範囲:12~24V、逆接続保護機能付き。
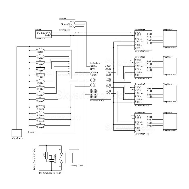
すべての入力信号は光学的に絶縁されています。入力は、緊急停止、工具設定、リミット、および原点復帰機能に接続することができ、コンピュータインターフェースの安全性を向上させるのに役立ちます。
0~10Vのアナログ入力を持つインバータを制御してスピンドル速度を調整するための、光絶縁された0~10Vのアナログ電圧出力を提供します。
PWM方式のスピンドル速度コントローラを制御するための、光絶縁型PWM出力(5Vレベル)を提供します。
水冷、ミスト、その他類似の機器を制御するためのフォトカプラリレーモジュールに接続できる4つの出力ポート(5Vレベル)を備えています。
共通アノードまたは共通カソード入力、5Vレベル、およびフォトカプラ入力を備えたステッピングモータードライバーへの接続をサポートします。
ステッピングモータードライバーとの接続用に、5軸インターフェースケーブルソケット(HX2.54)を装備しています。
インバーターの設定
インバーターを外部端子起動モードに設定します。
インバータの周波数制御モードをアナログ(0~10V)入力制御に設定します。
インバーターのクイックテスト
インバーターは、最初はインターフェースボードに接続する必要はありません。
インバータのFWD端子とCOM端子を短絡させ、10V端子とVI端子も短絡させます。スピンドルを接続します。(または、図に示すように、ポテンショメータを10V、VI、およびGND端子に接続します)
電源を入れます。インバーターが作動し、スピンドルが正常に回転すれば、設定は概ね正しいです。ポテンショメータを使用すると、速度を調整できます。
パッケージ内容:
1Pc 5軸 Mach3 V3.25 インターフェースボード
1Pc 高性能USBケーブル
以下の点にご注意ください:
電源の極性とドライバーの方向にご注意ください。
電源が入っている状態で、ドライバーやモーターのオン/オフ操作を行わないでください。
ドライバー電流を調整する際は、すべてのモーターを切り離してください。





Skysmotor.comで、高品質且つ安値のステッピングモーター、ステッピングモータードライバー、ステッピングモーターコントローラーを購入してください!
| ステッパドライバ仕様 | |
|---|---|
| 駆動電圧(V) | 24V / 5V |
| 入力電圧(V) | 12V-24V |
| 物理仕様 | |
| 重量(g) | 350 |







クレジットカード決済
PayPal